首页 产品中心 高精密行星减速机 KF系列
< >
KF系列

减速比(单节) L1:3/4/5/7/8/10 减速比(双节) L2:12/15/16/20/25/28/30/35/40/50/70/80/100 标准背隙 P2:单节L1≤8弧分 双节L2≤10弧分 精密背隙 P1:单节L1≤5弧分 双节L2≤7弧分 高效率 单节 : ≧ 97% 双节 : ≧ 94% ●易安装 ●高效率 ●高性能

全国服务热线:180-1355-6827

在线咨询
  • 产品特性
  • 技术参数
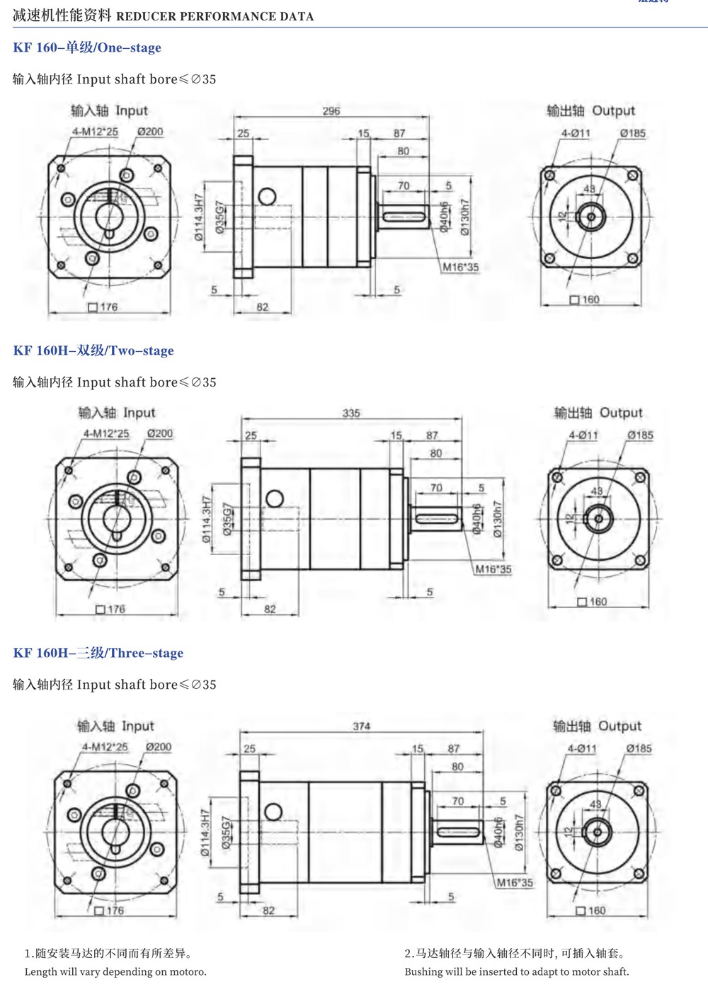
  • 外形尺寸
  • 安装说明
  • 资料下载
二维码

微信二维码

网站二维码

  • 电 话:180-1355-6827

  • 邮 箱:famait@126.com

  • 地 址:上海市奉贤区南桥镇国顺路936号5幢

版权所有 :法迈特减速机 备案号:苏ICP备20010989号-2   沪公网安备31012002006694号 技术支持: 易动力网络