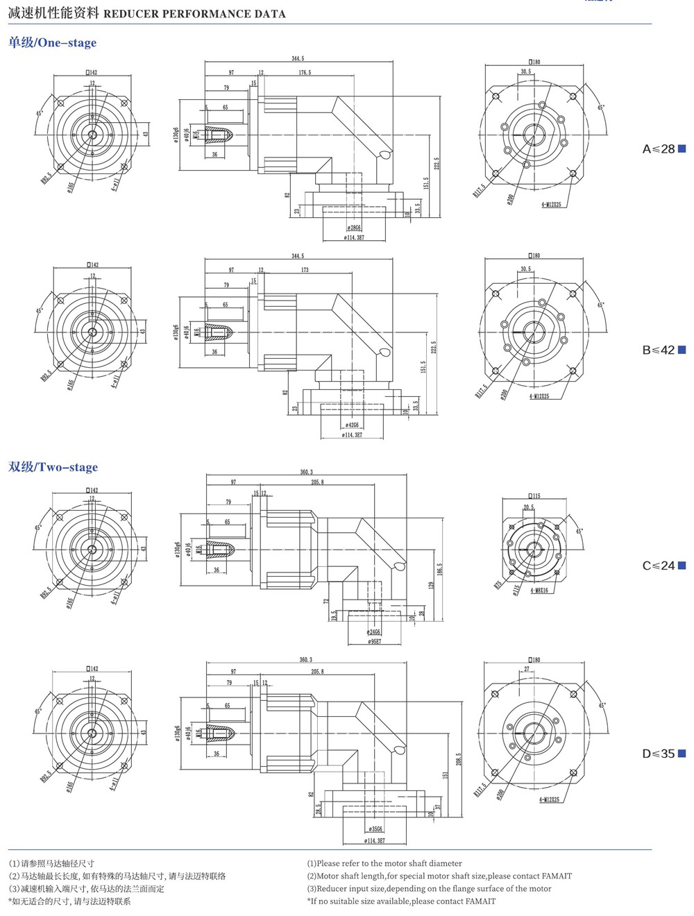
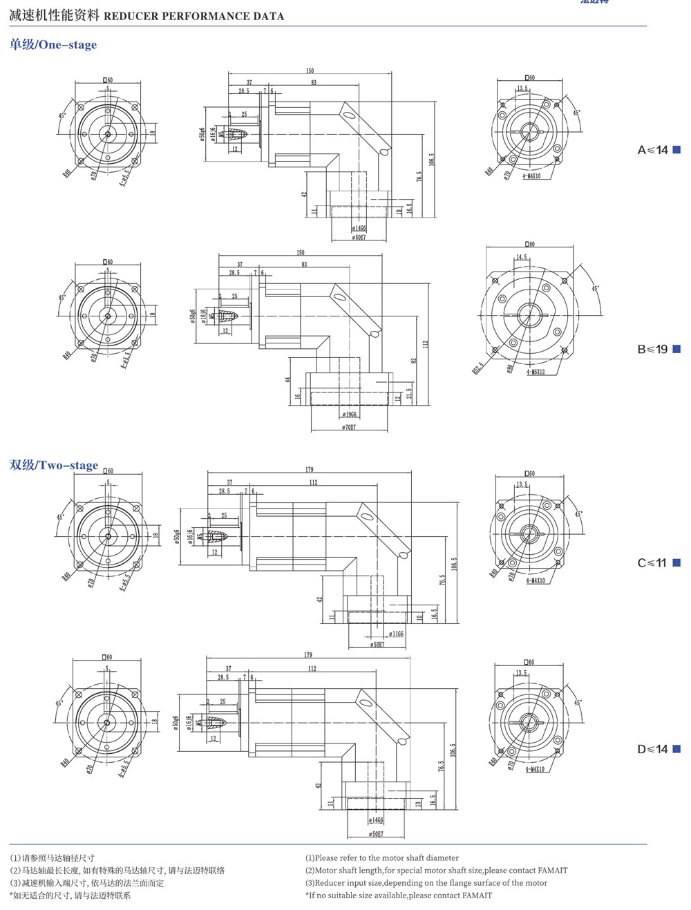
首页 产品中心 高精密行星减速机 FA系列
< >
FAR系列

减速比(单节)
3 / 4 / 5 / 7 / 8 / 10
减速比(双节)
12 /15 / 20 / 25 / 30 / 35 / 40 / 50 / 70 /80 / 100
低背隙
单节 : ≤1arcmin / ≤3arcmin / ≤5arcmin(P0/P1/P2)
双节 : ≤3arcmin / ≤5arcmi

全国服务热线:180-1355-6827

在线咨询
  • 产品特性
  • 技术参数
  • 外形尺寸
  • 安装说明
  • 资料下载
二维码

微信二维码

网站二维码

  • 电 话:180-1355-6827

  • 邮 箱:famait@126.com

  • 地 址:上海市奉贤区南桥镇国顺路936号5幢

版权所有 :法迈特减速机 备案号:苏ICP备20010989号-2   沪公网安备31012002006694号 技术支持: 易动力网络